Ryan D’Errico ’25 Explores Augustine Volcanoes’ Explosive Personality

Back to All Stories

This summer, I have been working with Professor Alison Koleszar and rising sophomore Melly Zhuang researching Augustine Volcano, an active stratovolcano located on an uninhabited island in Alaska. The big question that we are working to solve is why Augustine’s eruptions have shifted between explosive and effusive. Explosive eruptions violently throw debris, including lava, ash, and gases high into the atmosphere, while effusive eruptions are milder and create lava flows. 

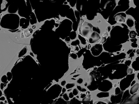
In the lab, we have analyzed rocks and smaller grains, known as tephra, from Augustine. The tephra provides us with two main types of evidence that we can use to reconstruct past eruptions. The first of these is the microlite number density, which is the number of small crystals (called microlites) that can be found within a given volume of a rock sample. Many small crystals can be associated with more explosive eruptions. To be able to calculate the number of crystals in a rock sample, we first have to mount the sample in epoxy, before cutting and polishing it. After gold-coating the sample, we are ready to observe it with a scanning electron microscope. 

The first time I was able to use the scanning electron microscope to observe one of the samples I had prepared, I was stunned by the extreme detail in which I was able to view the rock. Panning around the sample that was smaller than a quarter felt like navigating on another planet, as I could zoom into the countless bubbles that looked like seas, and I could click to find out the chemical composition of the various minerals that would come into view.

Image of a rock sample taken by a scanning electron microscope or SEM
Image of a rock sample taken by a scanning electron microscope or SEM

Our main task with the microscope is to take pictures of the samples at 500x magnification. We can later stitch the images together into a larger map using Photoshop and color code the different components of the samples, allowing us to calculate the area of crystals within the sample.

These crystals are only part of the story; the second type of evidence we use to gain an understanding of Augustine’s past eruptions is the relative abundance of different grain sizes from various sample locations and tephra layers. For instance, several increases in larger grain sizes within a single eruption can indicate multiple eruption pulses. We wet-sieve the tephra to separate it by grain size, and, after drying the tephra in the oven, we find the mass of the different grain sizes.

Understanding the eruptive personality of Augustine Volcano is important for a few reasons. Many commercial flights traveling between North America and Asia fly within the vicinity of Augustine, which can be dangerous because volcanic ash is detrimental to plane engines. Furthermore, research on Augustine will help us understand more about other subduction-zone volcanoes that pose their own hazards. 

Overall, I have truly enjoyed diving deep into a specific topic within geology, and I am really excited for the coming weeks, when we will be able to learn from the data we have collected. I also look forward to learning more about volcanoes and other natural phenomena in my geology classes at Colgate during the coming semesters.